

第一種電気工事士試験って、第二種と比べると難しいのかなぁ?

第一種は高圧の範囲になるから
確かに第二種とは少し違うかな。
でも問題には傾向があるから対策すれば大丈夫。

計算問題もあるよね?
どんな対策が必要なのかな?

その対策についてはこれから説明するね。
試験ではどんな問題が出る?
計算問題が苦手だけど大丈夫?
効率よく勉強するコツは?
<<「電気工事士」ってどんな資格?という方はこちら>>
<<こちらは第一種電気工事士についての記事です。第二種についてはこちら>>
<<こちらは学科試験についての記事です。技能試験についてはこちら>>
<<【試験対策】単線図の暗記にはコチラを活用してください>>
1.学科試験の概要
| 第一種電気工事士 学科試験 | |||
| 試験日 (年2回) | 令和8年度 上期 | CBT方式 | 2026年4月1日(水)~5月8日(金) (38日間) |
| 筆記 | なし | ||
| 令和8年度 下期 | CBT方式 | 2026年9月1日(金)~10月18日(日) (38日間) | |
| 筆記 | 2026年10月4日(日) | ||
| 解答方法 | マークシート式(4択問題) | ||
| 問題数 | 50問 | ||
| 配点 | 1問2点 | ||
| 試験時間 | 140分 | ||
| 合格ライン | 60点/100点満点 *合格ラインは年度によって多少異なる場合があります。 | ||
試験は年に2回です。以前は年に1度でしたが、令和6年度より2回になりました。
ただし上期はCBT方式のみとなります。下期は通常の筆記かCBT方式か選びます。
CBT方式とは期間内に日時、会場を予約できるもので、 予約した会場にてコンピューター上で試験を受けるものです。
試験内容は変わらないのですが、自分の都合に合わせて受験できることがメリットです。また、途中で日時や会場の変更ができる点や、試験終了後にすぐ自分の点数がわかるという特徴もあります。
学科試験は140分で50問を解かなければなりません。
覚えていればすぐに解ける問題が多いので、時間がなくなるということはないと思います。(私の経験上ですが)
実技試験は筆記試験合格後の対策で十分合格可能ですので、まずはとにかく筆記試験で6割以上取れるようにすることが重要です。
問題は選択式ですので、記憶があいまいでもなんとかなるかもしれません。しかし一方で正誤問題も多く、よく問題文を読まないとミスをしやすいと思います。
2.どんな問題が出題されるのか?
では、どんな問題が出題されるでしょうか。
試験問題は、問題1(40問)と問題2(10問)でわかれており、問題1は「一般問題」として、一問一答という形式、問題2は「配線図」として、図面を読みながら問題を解きます。
後述するように、この「配線図」では必ず「高圧受電設備の単線図」(下へジャンプ)から出題されるので、その対策が重要となります。
(1)計算問題の出題傾向は?
一般問題の1問目から10問目が計算問題となります。それ以外で計算が必要な問題がでることもありますが、基本的には初めの20%が計算問題、それ以外の80%は暗記問題ということになります。
そして、例年の合格基準点は約60点です。50問中30問以上正解すればいいのです。
つまり、計算問題すべて捨てても、残りの問題の75%以上解ければ合格できることになります。
問題用紙のはじめの1問目から10問目が計算問題なので、ここでわからない問題が出てきて焦ったり、解けない問題に時間を使いすぎる人がいるようです。
しかし、問題はどこから解き始めてもいいのです。わからない問題は飛ばして、出来る問題から解く、これが試験の基本です。
第二種と比較すると、計算問題の難易度は上がっています。苦手な人は計算問題の代わりに暗記問題に学習の時間を割いてもよいかもしれません。
例えば過去には1問目でこんな問題が出題されました。
図のような直流回路において、電源電圧20V、R=2Ω、L=4mH及びC=2mFで、RとLに電流10Aが流れている。Lに蓄えられているエネルギーWL[J]の値と、Cに蓄えられているエネルギーWC[J]の値の組み合わせとして、正しいものは。

イ.WL=0.2 ロ.WL=0.4 ハ.WL=0.6、 ニ.WL=0.8、
WC=0.4 WC=0.2 WC=0.8 WC=0.6
答え:イ
解説:コイルに蓄えられるエネルギーの公式 UL=1/2LI^2 と コンデンサに蓄えられるエネルギーの公式 UC=1/2CV^2 の二つの式にそれぞれ代入すれば求められます。
(2)知識を問う問題の出題傾向は?
知識を問う問題は、計算問題の4倍多く出題されます。
こちらに関しては範囲が広いので、地道に覚えるしかありません。
出題頻度に差があるので、重要なものから覚えるといいと思います。
あとでご紹介しますが、テキストの「よく出る!」という問題を優先して解けるようにするとよいかと思います。
工具や材料などは実物を知らないとイメージしにくいかもしれません。Youtubeなど動画で使い方を観るのも良いかもしれません。
過去には以下のような問題が出題されています。
写真に示す機器の名称は。

イ.電力需給用計器用変成器 ロ.高圧交流負荷開閉器 ハ.三相変圧器 ニ.直列リアクトル
答え:イ(電力需給用計器用変成器=VCT)
解説:電力量を測定する為、低電圧・小電流に変換するための機器。
高圧受電設備における遮断器と断路器の記述に関して、誤っているものは。
イ.断路器が閉の状態で、遮断器を開にする操作を行った
ロ.断路器が閉の状態で、遮断器を閉にする操作を行った
ハ.遮断器が閉の状態で、負荷電流が流れているときに、断路器を開にする操作を行った
ニ.断路器を、開路状態において自然に閉路するおそれがないように施設した
答え:ハ
解説:断路器は負荷電流が流れている状態で開閉する能力がないため、開放する場合は遮断器を先に操作する。
3.おすすめの勉強方法
(1)テキストを読む
第二種では家庭で目にするような機器が多かったのですが、第一種では高圧受電設備の知識が求められます。
なかなかイメージしにくい分野なので、やはりはじめはテキストから読んでいった方が理解しやすいと思います。
私の使用した教材は「すい~っと合格」シリーズです。最も定番のテキストで、使用している受験生は多いと思います。
amazonの売れ筋ランキングの「電気工事士関連書籍」のランキングでは2位になっています。(1位は同シリーズの第二種電気工事士テキスト。2024年2月時点)
使ってみた感想としても、絵や図が多く、やさしく説明されている印象です。
電気工事士用テキストは「すい~っと合格」シリーズの1強のイメージでしたが、他にもこちらのテキストは図やイラストを使ってわかりやすく説明しています。
サイズが小さめ(A5サイズ)のため、持ち運びが楽です。ページ内は簡潔にまとまっていてレイアウトが見やすいと思います。
こちらもサイズが小さめ(A5サイズ)なので、持ち運びしやすいです。
内容はほかの2冊よりもシンプルで教科書のようなレイアウトです。イラストや細かい文字が多いテキストより、ページがすっきりしているものを探している人には良いかもしれません。
(2)過去問を解く
第二種電気工事士試験は、過去問と全く同じ問題が出題されることが多いです。そのため、いかに過去問の正答率を上げるかが重要になります。
私が実際に使用した過去問集は、前出のテキストと同じ「すい~っと合格」シリーズです。
こちらは通勤中の電車内でも邪魔にならないコンパクトなサイズが特徴です。サイズはB6版くらいです。(単行本や青年誌の漫画本など)
左ページに問題、右ページに回答と解説という作りが使いやすく、この問題集のみで合格できる方もいると思います。
合格基準は60%です。満点をとる必要はありません。時間がない場合はよく出る問題だけ繰り返し解いてもいいと思います
本番も、順番通り解く必要はなく、わかる問題から解くことで、苦手な問題をゆっくり考えることができます。
こちらの特典としてダウンロードできる、暗記カードアプリもスキマ時間の勉強に役立ちました。
Amazonの売れ筋ランキングで過去問集で最上位に出てくるのが、オーム社から発行されているこちらの過去問集です。(2024年2月時点)
「すい~っと合格」シリーズは年度ごとにまとまってませんので、シンプルに年度ごとに解きたい人はこちらの方が良いかもしれません。
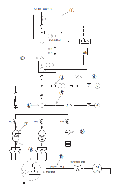
(3)高圧受電設備の単線図を覚える
後半の「配線図」の問題では以下のような図をもとに問題が出題されます。この図は高圧受電設備の単線図です。
図の一番上の6600Vというのは、変電所から電圧6600Vの電気を受け取っていることを示しています。

この単線図の図記号の表す機器の名称や用途などを問う問題が毎年必ず5~10問出題されます。
この単線図を見ないで書けるくらい理解していれば、確実に10点以上確保できることになります。
またその5~10問以外にもこの図に絡んで出題される問題があります。そのため、この図を理解することは第一種の学科試験ではそれなりに重要なポイントとなっているのです。
例えば過去の問題では以下のような問題が出題されています。
⑧で示す機器の役割として、誤っているものは。

イ.コンデンサ回路の突入電流を抑制する。
ロ.第5長波等の高調波障害の拡大を防止する。
ハ.電圧波形のひずみを改善する
ニ.コンデンサの残留電荷を放電する。
答え:ニ
解説:図は直列リアクトル。選択肢イ、ロ、ハは直列リアクトルを設置する目的と適合する。
<<【試験対策】単線図の暗記にはコチラを活用してください>>
4.勉強時間は?
試験合格に必要な勉強時間についてですが、サイトによって幅があるものの、概ね50~200時間必要という意見が多いです。また、第二種を勉強した方とそうでない方で変わると思います。
私の場合は、通勤時間を有効活用しておよそ2ヶ月、平日は往復の2時間、週末は多い時で3時間ほど学習時間に充てました。
週末を1.5時間として計算すると、2時間×40日+1.5時間×16=104時間 ということになります。
また、第二種の学習時間が80時間程度でしたので、合算すると200時間近くになります。
個人差があるので一概には言えませんが、有名な資格である簿記2級が150~350時間必要とされているので、それよりは難しい試験ではないと言えそうです。
5.合格率はどのくらい?
学科試験の合格率は近年、55%~60%程度で推移しています
以下は電気技術者試験センターが公表している合格率をグラフにしたものです。

*1 合格者÷受験者(申込者ではありません)で計算しています。
*2 令和2年度上期 学科試験は新型コロナの影響で中止の為、データがありません。
5.まとめ
第一種電気工事士は独学で十分合格可能な試験です。ポイントは以下の通り。
試験は年2回、合格率は60%前後
計算問題は全体の20%、捨てても残りの75%正答できれば合格できる
高圧受電設備の単線図を書けるようにすると得点源となる
この記事が受験を検討している方の参考となれば幸いです。
<<【試験対策】単線図の暗記にはコチラを活用してください>>
<<【試験対策】シーケンス図の読み方についてはこちらで解説しています>>
<<技能試験対策についてはこちらの記事をご確認ください。>>
<<資格についてもう少し詳しく知りたい方はこちらをご覧ください。>>







