

ここでは単相交流回路の力率と電力計算について解説します。
1.直流回路の電力
直流の電力計算は単純でした。電圧と電流が一定なので、掛け合わせれば電力が求められます。
また、オームの法則を使うことで以下のようにも表すことができます。
2.交流回路の電力
一方、交流では電圧と電流が時間によって変化します。
そのため、単純に掛け合わせて求めることができません。
交流回路の電力には有効電力、無効電力、皮相電力の3つがあります。
(1)有効電力
抵抗に電流が流れると電力を消費します。このエネルギーとして抵抗で消費する分を有効電力といいます。
抵抗のみであれば、電圧\(V\)と電流\(I\)の時間変化(位相)が同じなので、単純に電圧\(V\)×電流\(I\)で求めることができます。


通常、有効電力の記号は\(P\)、単位は\(W\)(ワット)を使います。
しかし抵抗の他にコイルやコンデンサを含むと、電圧と電流の位相がずれてしまい電力に影響を与えます。
電圧と電流の位相がずれてしまうと、その分ロスが生まれて使用できる電力が減ってしまいます。


このとき、抵抗で有効に消費できる電力の割合を力率といいます。
力率の表記は\(cosθ\)です。電源から送った電力の\(80\)%を消費した場合は\(cosθ=0.8\)と表記します。
力率についてはこのあと詳しく説明します。
コイルやコンデンサを含む回路の有効電力は、電圧と電流にこの力率をかけて求めます。
例えば力率が\(0.8\)の回路に\(100\)[V]の電圧で\(1\)[A]の電流を流した場合、有効電力は\(80\)[W]となります。
\(100\)[V]×\(1\)[A]×\(0.8\)=\(80\)[W]
(2)無効電力
コイルやコンデンサではエネルギーとしての電力を消費しません。これを有効電力に対して無効電力といいます。
コイルやコンデンサは電圧と電流の位相が\(90\text{°}\)\(\displaystyle\left(\frac{π}{2}\right)\)ずれていて、電力はプラスとマイナスを繰り返し、平均するとゼロとなります。


抵抗とコイルやコンデンサを含む回路では有効電力だけでなく、一部が無効電力としてロスになってしまいます。


このコイルやコンデンサによって無効となった電力の割合を無効率といいます。
無効率は\(sinθ\)で表し、これは\(\sqrt{1-cos^2θ}\)で導くこともできます。
また、無効電力の記号は\(Q\)、単位は\(var\)(バール)を使います。
(3)皮相電力
有効電力と無効電力を合わせた、見かけ上の電力を皮相電力といいます。
皮相電力は電圧と電流を掛け合わせることで求めます。
皮相電力の記号は\(S\)、単位は\(V・A\)(ボルトアンペア)です。
例えば\(100\)[V]の電圧で\(1\)[A]を流した場合、力率に関係なく皮相電力は\(100\)[V・A]となります。
有効電力、皮相電力、無効電力の関係をベクトル図で表すと以下のようになります。

このことから、以下のような式が成り立ちます。
2.力率
(1)力率の求め方
有効電力の計算で使用する力率は、皮相電力に対する有効電力の割合です。
これは回路のインピーダンスのうちの抵抗の割合でもあり、以下のように求められます。
力率のcosθのθは、以下のようなベクトル図において、皮相電力と有効電力が作る角であり、インピーダンスと抵抗の作る角でもあります。(力率角)


また、この力率角θは電圧と電流の位相差でもあります。
以下のように電圧と電流の位相のずれがθであるとき、力率はcosθとなります。

(2)力率の改善
無効電力の成分はコイル(誘導性リアクタンス)とコンデンサ(容量性リアクタンス)です。
コイルには電流を遅らせる働きがあるため、コイルの影響が多い場合は無効電力は遅れとなります。

逆にコンデンサには電流を進ませる働きがあり、コンデンサの影響が多い場合、無効電力は進みになります。

このように無効電力には位相が遅れの場合と進みの場合とがあります。
そのため、このコイルとコンデンサの割合を調整することで力率を最大に近づけることができます。
力率が最大の100%になるのはcosθ=1になるとき、θ=0のときです。

cosθ=1に近づけることを、力率を改善するといいます。
力率の改善のためには、無効電力を小さくする必要があります。
下の図の例では、無効電力が遅れの場合に、進み電力を供給して無効電力を打ち消しています。

つまり、誘導性リアクタンス\(X_L\)と容量性リアクタンス\(X_C\)の大きさが等しい時に、力率が最大になります。
3.交流電力の計算例
ここから交流回路の電力の計算方法を見ていきます。
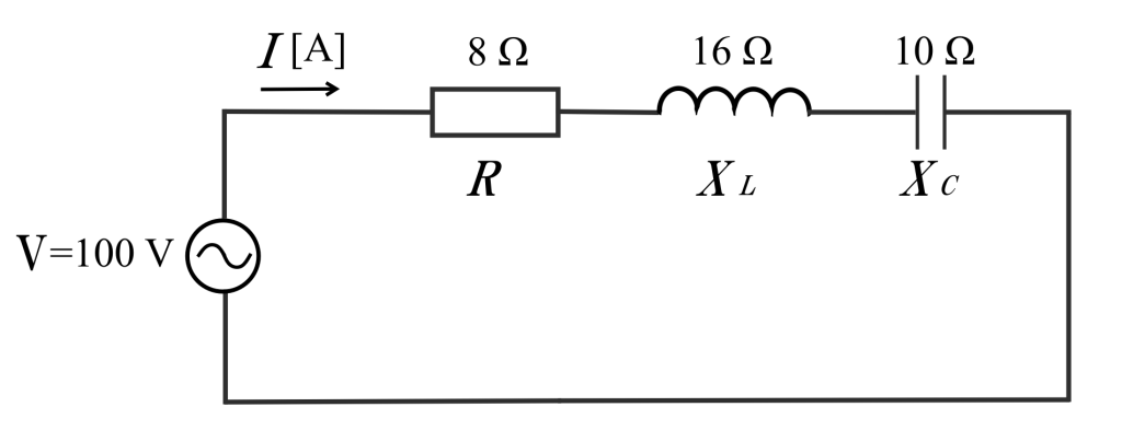
【例題】図のような交流回路において、電源電圧V=100V、抵抗R=8Ω、誘導性リアクタンスXL=16Ω、容量性リアクタンスXC=10Ωである。この回路の消費電力(有効電力)は。
(第一種電気工事士 平成30年度 問4 改題)

(1)回路のインピーダンスを求める
まずは交流回路のインピーダンスを求めます。
直列RLC回路なので、合成インピーダンス\(Z\)は
\(Z=\sqrt{R^2+(X_L-X_C)^2}\)
\(=\sqrt{8^2+(16-10)^2}\)
\(=\sqrt{64+36}\)
\(=\sqrt{100}\)
\(=10\)
合成インピーダンス\(Z\)は\(10[Ω]\)と求められます。
(2)回路電流を求める
次に回路に流れる電流を求めます。
\(I=\displaystyle\frac{V}{Z}=\displaystyle\frac{100}{10}=10\)
電流\(I\)は\(10[A]\)と求められます。
(3)力率を求める
インピーダンス\(Z\)が\(10[Ω]\)、抵抗\(R\)が\(8[Ω]\)なので
\(cosθ=\displaystyle\frac{R}{Z}=\displaystyle\frac{8}{10}=0.8\)
よって力率\(cosθ\)は\(0.8\)とわかりました。
(4)有効電力を求める
以上から、有効電力\(P\)は
\(P=VIcosθ=100×10×0.8=800\)
よって答えは\(800[W]\)となります。
(5)【別解】電流と抵抗から有効電力を求める
有効電力は抵抗で消費される電力です。
よって抵抗値と電流値がわかれば求められます。
\(P=RI^2=8×10^2=800[W]\)
今回のようなケースはこちらの方法で解く方が楽になります。
3.まとめ
今回の内容を簡単にまとめると以下のようになります。
・「有効電力」とは抵抗のみに発生するエネルギーを消費する電力
・「無効電力」とはコイルやコンデンサに発生するエネルギーを消費しない電力
・「有効電力」と「無効電力」を合わせた見かけ上の電力を「皮相電力」という
・「皮相電力」に対する「有効電力」の割合(回路のインピーダンスに対する抵抗の割合)を力率という
・有効電力の求め方 \(P=VIcosθ\)
・無効電力の求め方 \(Q=VIsinθ=VI\sqrt{1-cos^2θ}\)
・皮相電力の求め方 \(S=VI=\sqrt{P^2+Q^2}\)
・力率の求め方 \(cosθ=\displaystyle\frac{P}{S}=\displaystyle\frac{R}{Z}\)
