
1.電気制御とは?
私たちの生活に欠かすことのできない「電気」。電気工事士の資格取得では電気工事についての勉強をしました。一種でも高圧受電設備の回路図なんかも勉強して詳しくなったような気でいました。
しかし電気工事士で学ぶ「電気」はほとんどエネルギーとしての電気で、もう一つ電気には欠かせない役割があります。それが信号としての役割です。
例えば私たちが当たり前に使用しているパソコン、このうちディスプレイを明るくする光であったり、HDDを動かす電源などはエネルギーの分野といえますが、文章を記述したり、計算をするという作業はパソコンの演算装置へ電気信号を送ることで成り立っているのです。
電圧がかかれば「1」、電圧がなく0Vの状態を「0」とすると、この二つの数値により文字や数字を表してデータのやり取りが可能になります。

例えば日本語の「あ」は1100000.1000010となります。
このように電気を信号として使うことで今では非常に複雑な処理も可能になりましたが、ここで取り上げるのは電気を信号として使用し、電気設備(照明やモーターなど)を自動制御する回路について学んでいこうと思います。
2.シーケンス制御とフィードバック制御
シーケンス制御とは?
電気工事士の勉強をした方なら少し触れたと思いますが、「シーケンス制御」という電気制御があります。これはJISの定義では「あらかじめ定められた順序、または論理にしたがって制御の各段階を逐次進めていく制御」とされています。これはよく全自動洗濯機の制御などが例に挙げられます。

図のような給水から洗濯、脱水など決められた順序で動作するように制御することを「順序制御」といいます。
また、水位がある一定のところまで来ると給水を止めたり、運転中に蓋を開けると停止するなど、設定した条件が成立したとき、機器を動作させる制御は「条件制御」といいます。
そして設定された時間で動作が停止するように、時間で制御することなどは「時限制御」といいます。
フィードバック制御とは?
シーケンス制御に対して、エアコンなどでは「フィードバック制御」が使われています。これは電検三種の機械の科目で出題される部分でもあります。

今ではシーケンス制御の中にフィードバック制御が含まれる場合もあるので、区別が難しくなってきているという話もあります。
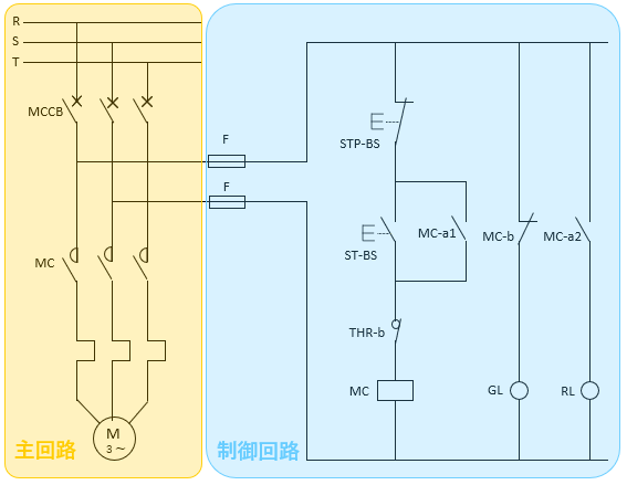
シーケンス制御の回路図
次にシーケンス制御の図をご紹介します。

通常は一般の電気回路図とは区別して記載しています。図の右側のように制御回路は見た目も変わっています。読み方については別記事で解説しますが、原則として制御の順番、信号の流れる方向に並んでいて、機器の配置は無関係です。図で言えば、制御の順番は左から右へ、信号の流れは上から下へ向かうことを表しています。
3.制御における「リレー」とは?
自動制御において重要な機器が「リレー」です。リレーを製造する大手企業のオムロンのページにはリレーの定義について「リレーとは外部から電気信号を受け取り、電気回路のオン/オフや切り替えを行う部品です。」としています。また、陸上競技のリレーのバトン渡しのように電気信号を受けることで次の機器へ電気信号を渡していく、と説明しています。

また、リレーと同様に信号を受けて電磁石の力で接点を開閉するものに電磁接触器(マグネチックコンタクタ)もあります。リレーよりも大きな負荷を接続でき、サーマルリレーをつないで過電流を遮断することもできます。サーマルリレーを接続したものを電磁開閉器(マグネットスイッチ)といいます。

リレーや電磁開閉器を使うことで様々な自動制御が可能になります。当サイトでは様々な自動制御をご紹介していきたいと考えております。電気を学んでいる人のお役になれれば幸いです。
電気信号を使って様々なものを制御をすることができる
順番通りに制御することをシーケンス制御という
外部からの信号を受けてON/OFF動作する部品をリレーと呼ぶ


コメント